Premium Information is available for this item - Upgrade for $1 a day
5120-00-935-4612
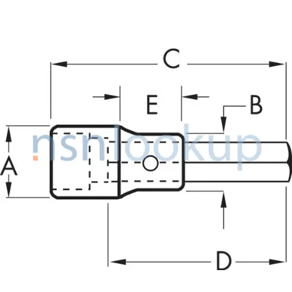
Socket Wrench Screwdriver Attachment
5120009354612 009354612 TMA6E STP 47703/16 8710-1145 579R153H03 47703/16 2210 10-711 10-613 GGG-W-641 TY4CL3STA GGG-W-641
An attachment designed to fit over the square external drive end of a HANDLE, SOCKET WRENCH; WRENCH, TORQUE; and the like consisting of one or two-piece configuration having a screw driving tip on one end. Excludes BIT, SCREWDRIVER. View more Socket Wrench Screwdriver Attachment
![]()
November 2023
59






Marketplace 5120-00-935-4612
Request a Quotation from participating marketplace vendors
Related Documents 5120-00-935-4612 5+ Documents (More...)
TMA6E RQST NE Updated Every Day 10-711 RQST NE Updated Every Day 10-613 RQST NE Updated Every Day 2210
/fsg-51/fsc-5120/us 5120-00-935-4612 Socket Wrench Screwdriver Attachment,TMA6E TMA6ESTP 47703/168710
STP 47703/16 https//www.nsnlookup.com /fsg-51/fsc-5120/us 5120-01-593-0665 Socket Wrench Screwdriver
Attachment5120009354612 009354612 TMA6E STP 47703/16 Attachment your Account Upgrade 5120-01-593-0665Socket
Attachment5120009354612 009354612 TMA6E STP 47703/16 your Account Upgrade 5120-01-593-0665Socket Wrench
Screwdriver Attachment5120015930665 015930665 STP 47703/16 TMA6E STP Secondary Buy RNCC 5 RNVC 2 DAC
Socket Wrench Screwdriver Attachment,TMA6E Screwdriver Bit 5120015296285015296285 for $1 a https
https//www.nsnlookup.com /fsg-51/fsc-5120/us 5120-01-367-3489 Socket Wrench Screwdriver Attachment,TMA6E
https//www.nsnlookup.com /fsg-51/fsc-5120/us 5120-00-935-4612 Socket Wrench Screwdriver Attachment,TMA6E
Restrictions 5120-00-935-4612
5120-00-935-4612 is a Socket Wrench Screwdriver Attachment that does not have a nuclear hardened feature or any other critical feature such as tolerance, fit restriction or application. Demilitarization of this item has been confirmed and is not currently subject to changes. This item is considered a low risk when released from the control of the Department of Defense. The item may still be subject to the requirements of the Export Administration Regulations (EAR) and the Code of Federal Regulations (CFR). This item is not suspected to be hazardous. This item does not contain a precious metal.
Import and Export 5120-00-935-4612
- Schedule B
- Subscribe to View Schedule B
- HTS Code
- Subscribe to View HTS Code
End Users 5120-00-935-4612
- US Army (A192)
- Effective Date:
- 1 Apr 1991
- Supplementary Receivers:
- BDCLBF
- US Air Force (FGGS)
- Effective Date:
- 1 Apr 1991
- NASA (G751)
- Effective Date:
- 1 Apr 1991
- US Marine Corps (MC14)
- Effective Date:
- 1 Apr 1991
- US Navy (N9QG)
- Effective Date:
- 1 Apr 1991
- Supplementary Collaborators:
- GTJNHXHSHEHD
- Poland (WP01)
- Effective Date:
- 1 May 2005
- Brazil (YA01)
- Effective Date:
- 1 Oct 2000
- Spain (YB01)
- Effective Date:
- 1 Apr 1991
- Singapore (YJ01)
- Effective Date:
- 1 Apr 1991
- Australia (ZA01)
- Effective Date:
- 1 Apr 1991
- Canada (ZC01)
- Effective Date:
- 1 Apr 1991
- Germany (ZG01)
- Effective Date:
- 1 Apr 1991
- Republic of Korea (ZH01)
- Effective Date:
- 1 Apr 1991
- United Kingdom (ZK01)
- Effective Date:
- 1 Apr 1991
- Netherlands (ZN01)
- Effective Date:
- 1 Apr 1991
- Portugal (ZP01)
- Effective Date:
- 1 Feb 2016
- Italy (ZR01)
- Effective Date:
- 1 Jul 1997
- Denmark (ZS01)
- Effective Date:
- 1 Feb 2006
- Turkey (ZW01)
- Effective Date:
- 1 Nov 1998
Approved Sources 5120-00-935-4612
- Part Number
- Manufacturer
- Status
- TMA6E
- Manufacturer
- 55719 - Idsc Holdings Llc (Active)
- Incomplete Reference
- Incomplete Reference
- 10-711
- R1120 - Satair A/S (Active)
- Secondary Buy
- Secondary Buy
- STP 47703/16
- 00NS2 - Kipper Tool Company (Active)
- Secondary Buy
- Secondary Buy
- 8710-1145
- 1MY97 - Agilent Technologies, Inc. (Active)
- Secondary Buy
- Secondary Buy
- 579R153H03
- 97942 - Northrop Grumman Systems Corporation (Active)
- Secondary Buy
- Secondary Buy
- TMA6E
- Z1F72 - Snap-On Tools (Australia) Pty Ltd (Active)
- Secondary Buy
- Secondary Buy
- 47703/16
- 09669 - Stanley Canada Incstanley Proto Div (Active)
- Secondary Buy
- Secondary Buy
- 2210
- 14846 - Wright Tool Company, Llc (Active)
- Secondary Buy
- Secondary Buy
- 10-711
- 636D0 - Apex Tool Group, Llc (Active)
- Canceled/Obsolete
- Canceled/Obsolete
- 10-613
- 03914 - Armstrong Bros Tool Co (Replaced)
- Canceled/Obsolete
- Canceled/Obsolete
- 10-711
- 03914 - Armstrong Bros Tool Co (Replaced)
- Canceled/Obsolete
- Canceled/Obsolete
- 10-711
- 08292 - Easco Hand Tools Inc (Replaced)
- Canceled/Obsolete
- Canceled/Obsolete
- GGG-W-641 TY4CL3STA
- 80244 - General Services Administration (Active)
- Canceled/Obsolete
- Canceled/Obsolete
- GGG-W-641
- 81348 - Federal Specifications Promulgated (Active)
- Canceled/Obsolete
- Canceled/Obsolete
Datasheet 5120-00-935-4612
- Characteristic
- Specifications
- FIIG
- Specifications
- A102A0
- Drive Surface Size [ATNC]
- 0.250 Inches Nominal Single End
- Blade Length [AEAE]
- 0.734 Inches Nominal
- Environmental Attribute Code [ENAC]
- Plastics Removal In The Marine Environment (Prime) Product
- Features Provided [CBBL]
- Manual Tool And Replaceable Bit
- Material [MATT]
- Steel Overall
- Outside Diameter [ABKV]
- 0.570 Inches Nominal
- Overall Length [ABHP]
- 1.938 Inches Nominal
- Wrenching Surface Shape [CRWY]
- Hexagon Single End External
- Wrenching Surface Size [AJBR]
- 0.188 Inches Nominal Single End
- Style Designator [STYL]
- Hexagon
- Surface Treatment [SFTT]
- Oxide Bit
- Surface Treatment [SFTT]
- Chromium Drive Surface
Management Data 5120-00-935-4612
Army
- Materiel Category and Inventory Manager:
- E
- General Supplies (DLA/GSA Items)
- Appropriation and Budget Activity:
- 2
- Stock Fund Secondary Items
- Management Inventory Segment:
- 2
- Non-Repairable Items(Exclusive of Insurance and Provisioning Items)
This code will be used to identify items, which are not reparable.
- Weapons System / End Item / Homogeneous Group:
- 00
- DLA/GSA Material
DLA/GSA-Managed Items that cannot be identified to a specific Army Weapons Systems/End Item
- Accounting Requirements:
- X
- Expendable item.An item of Army property coded with an ARC of X in the AMDF. Expendable items require no formal accountability after issue from a stock record account.Commercial and fabricated items similar to items coded X in the AMDF are considered expendable items.
Navy
- Cognizance:
- 9Q
- Special Material Content:
- 9
- Non-Hazardous or Non-Sensitive Item
Similar Supply Items to 5120-00-935-4612


















Freight Information 5120-00-935-4612
5120-00-935-4612 has freight characteristics.It has a National Motor Freight Classification (NMFC) of 186620. A Sub NMFC of Z. It has a NMFC Description of TOOLS, NOI HAND OTHER THAN POWER. 5120-00-935-4612 is rated as a variable freight class when transported by Less-Than Truckload (LTL) freight. It has a Uniform Freight Classification (UFC) number of 91810 which rates the freight between FCL and LCL. 5120-00-935-4612 has a variance between NMFC and UFC when transported by rail and the description should be consulted. It has a Water Commodity Code (WCC) of 732 for ocean manifesting and military sealift. 5120-00-935-4612 is not classified as a special type of cargo when transported by water. 5120-00-935-4612 is not a consolidation and does not exceed 84" in any dimension. It should be compatible with a standard 72" Aircraft Cargo Door when transported by air.